一品楼凤楼论坛最新动态,一楼一凤论坛的最新消息今天一品楼凤qm楼论坛 ,长沙一品楼品凤楼论坛51龙凤茶楼论坛网深圳,凤楼茶馆论坛

GVANGJSIH BOUXCUENGH SWCIGIH YENZYOZ FAZCANH CUNGHSINH
广西壮族自治区水运发展中心

GVANGJSIH BOUXCUENGH SWCIGIH CONZBWZ GENJYEN CUNGHSINH
广西壮族自治区船舶检验中心
当前位置: 首页服务水路出行
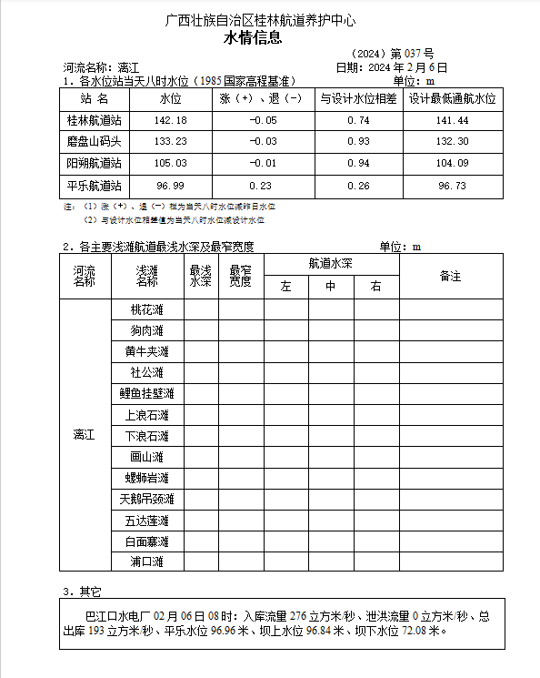
桂林航道养护中心20240206水情信息
   文章来源:本站  文章作者:管理员  发布日期:2024-02-06  浏览:361次  

1.png

技术支持:广西交通设计集团有限公司 最佳效果浏览器:IE11 最佳浏览分辨率:1920*1080